水电安装图纸水电安装图纸会审常见问题
- 工程资源
- 2023-10-08
- 571
BR墙壁内安装 5照明灯具标注方法 a灯数 b型号或编号 c每盏照明灯具的灯泡个数 d灯泡容量,W e灯泡安装高度,m f安装方式 L光源种类,白炽灯或荧光灯 以上就是水电安装图纸怎么看的相关内。
看图纸,特别是前期预埋的时候首先我们得找参照物来确定我们在图纸中的哪个位置首先我们可以找电梯井作为参照物也可以找楼梯作为参照物图纸中很多的小图标,我们都会结合现场的实物图来讲解让大家明白这个字符号所代表。
水电安装步骤 水路安装 1根据水电安装图纸确定水管的走向和位置2在墙面上打好水管的穿孔孔位,并安装好水管支架3将水管沿着预留的穿孔孔位铺设,并固定好水管支架4安装好水龙头水表等水路设备,并进行水路测试。
首先要看图纸它包含了哪些内容做到对整套图纸的大致了解,整套图纸包括封皮和目录和设计说明和系统图和照明平面图和若电平面图以及管井详图设计说明一定要仔细看一个字一个字的细读争取背下来,记不住的话就记在一个本子上。
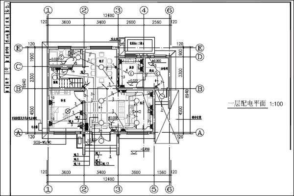
问题四水电安装图纸怎么看 11040A 是电表 2XKC2632pC40 是两相的总开关 3n01 是回路编号 4L1,N,PE表示相线零线地线 5YJV3*10 是电缆规格型号 6SC32是DN32焊接钢管。

1找指北针虽然大多图纸是上北下南,但也有例外,看图先要“找到北”2看出入口楼梯电梯扶梯的位置及走廊的走向,了解建筑内部的交通组织,在脑子里把建筑“走通”3看轴网及柱子剪力墙的布置,了解。
ct 电缆桥架 cp金属软管 SR 钢线槽 RC水煤气管 看水电图纸的技巧1了解各个区域位置 看水电图,首先要了解各个区域的位置,比如我们的热水器洗手盆洗衣机,厨房中的净水器软水机他们的具体位置和安装。
WF指的是闪光小母线WF是控制电源,信号电源,保护电源,交流电压,交流电源等共用汇积线,起到汇集分配电能的作用,属于环网供电方式缺点是有可能造成大范围保护控制回路直流电源消失电源回路还有用辐射式接线方式的。

水电安装是房子的一部分,其安全方便与否跟大家住房的舒适度可是有很大关系在做水电之前,业主们可以看看水电施工图纸,那样您就可以走很多弯路了那么,水电施工图纸怎么看呢接下来,跟着我一起来看看吧水电施工图纸怎么。
对装修有所了解的人都应该知道,在所有装修开始前都是由图纸和施工设计图支撑装修流程的,在安装水电前一定会有一张水电预埋图纸,目的无非是为了更清楚的看出整个走线的方式那么 水电预埋图纸怎么看 呢和我一起来学习一下。
先看图纸的目录初步了解图纸张数和内容,找出自己要看的电气图纸先看器设置说明和规格表,了解设计意图以及各种符号的意思,顺序看各种图纸了解图纸的内容,并将系统图和平面图结合在一起弄清楚,意思在看平面图的时候应该按。
如果你不明白可以问水电监理他会告诉你的 问题九水电系统图怎么看 看这个要有一定的水电基础,有师傅交的话,很容易看懂的!就是一些技术材料的要求! 问题十怎么看水电安装图?求水电安装图纸符号? 水电安装的图纸,那些设计。
业主们在装修水电之前呢可以先了解水电方面的知识,看看规范的水电安装图介绍吧!规范的水电安装图 1施工前要有电气强电弱电给排水设计施工图2严禁将导线无任何保护地直接敷设在墙内地坪内地板下或天棚上3。
学习一两个月根本是学不到一定的基础的,穿线时分开的颜色,火线红绿黄线蓝色,接地线为黄绿双色线控制线为白色,接线的时候还一定要注意分辨清楚,所以一般说要想快速学好水电安装是非常难的一件事。
水电安装装修步骤一,房屋装修,首先,根据安装设计图纸,对房屋进行一些改造,如 粉碎某些墙壁另外,修改某些部分第二,管道开槽,管道开槽由两部分组成,一部分是水管挖沟,另一部分是电信线路开槽 业主最好在施工期间。
免责声明: 本站提供的任何内容版权均属于相关版权人和权利人,如有侵犯你的版权。 请来信指出,我们将于第一时间删除! 所有资源均由免费公共网络整理而来,仅供学习和研究使用。请勿公开发表或 用于商业用途和盈利用途。
本文链接://www.studdz.com/ziyuan/18278.html

发表评论