注册岩土工程师考试科目及时间2021,注册岩土工程师免费试题下载
- 岩土工程师
- 2023-04-14
- 543
1、一 注册岩土工程师基础考试需要买正版书吗,我现在很纠结~麻烦大家给些意见 基础考试不难复可对历年制的考试题做一下,看差多少,查漏补缺,往年都是55%作为及格线的这个及格线并不高啊历年考试也表明,题的深度;高效备考方法 针对注册土木工程师岩土执业资格考试专业考试的特点,如何做好基础知识和规范的复习呢?考前安排大量时间复习 注册土木工程师岩土执业资格考试专业考试覆盖内容很广泛试题难度很大,没有充足的时间复习是很难;继全国实行注册建筑师制度和注册结构工程师制度后,1998年6月全国注册工程师管理委员会又公布成立“全国注册岩土工程师考题设计与评分专家组”以下简称专家组,由12位岩土工程界资深专家组成专家组受全国注册岩土工程师管理;链接 FnGQ ?pwd=krig 提取码 krig 注册岩土工程师专业考试辅导视频清华大学 陈轮阶段I土力学与基础工程必备基础知识阶段II案例200基本题阶段III提高与冲刺;岩土论坛有你想要的由于不能上传附件,仅给你地址,还有照片版试卷,php?tid=fpage=2 截图如下。
2、2018注册岩土工程师基础知识经典题五1若流体的密度仅随D变化而变化,则该流体称为正压性流体A质量 B体积 C温度 D压强 2亚声速流动,是指马赫数D时的流动A等于1 B等于临界马赫数 C大于1;1参加岩土工程项目的勘察与设计2对已有的岩土工程设计方案进行审查,并提出合理的优化方案3利用岩土和结构计算软件,对工程建设中的工程数据进行分析 以上就是小编今天的分享了,希望能够帮助到大家注册岩土工程;2017岩土工程师考试专业知识模拟试题及答案 1 岩土工程勘察报告中的地基承载力应提供 ?A基本值B标准值C设计值D实验值答案B 2 岩土工程勘察报告应包括 ?A 文字说明书附件B。

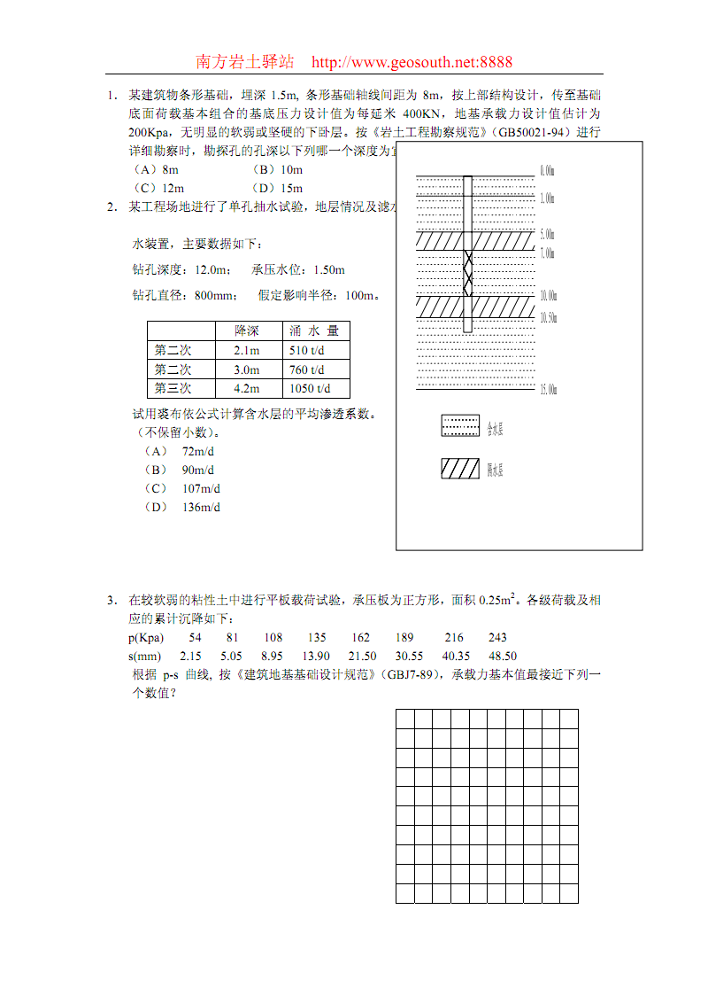
3、20012009年版要求,详勘时划分的场地类别布置钻孔孔深,下列哪个选项最为;我国注册岩土工程师考试分两阶段进行,第一阶段是基础考试,在考生大学本科毕业后按相应规定的年限进行,其目的是测试考生是否基本掌握进入岩土工程实践所必须具备的基础及专业理论知识第二阶段是专业考试,在考生通过基础考试;基础考试的范围参照09年的考试大纲,如果没有联系我,我这里有那个历年真题,这个真没有,我也一直在找。
4、注册岩土工程师考试宝典系注册岩土工程师考试试题辅导软件,适用于注册岩土工程师考试,软件试题库设计紧扣最新注册岩土工程师考试大纲考试教材,符合注册岩土工程师考试考试题型与考试科目,复习辅导资料考试资料丰富,免费;注册岩土工程师执业基础考试复习教程第6版上最新版作者曹纬浚主编页数721出版日期201201注册岩土工程师执业基础考试复习教程第6版下最新版作者曹纬浚主编页数1473出版日期201201有这两本资源,可做成pdf~~;您好,徐海峰的教材都还可以,关健是题目要全部做一遍,要熟,一看到题目就书一翻主要是工程地质基础,第二天是专业案例分析,主要是地基基础方面的计算等内容!欢迎向158教育在线知道提问;0513年的全套,注册岩土基础历年试题,其中下午的专业基础试题是比较难找的,我也找了很久才找到附件全部发给你们;下面是整理的“2018年注册岩土工程师考试基础知识点矿物”,欢迎阅读参考,更多有关内容请密切关注本网站岩土工程师栏目2018年注册岩土工程师考试基础知识点矿物 一 矿物的基本概念1矿物自然产出并具有一定的化学。
5、考试手册是进入考场后发的,考完之后全部回收每年的手册与出的试题有关所以结构和岩土的手册不一致但是结构和岩土的基础部分是一样的,手册的前半册是一致的。
免责声明: 本站提供的任何内容版权均属于相关版权人和权利人,如有侵犯你的版权。 请来信指出,我们将于第一时间删除! 所有资源均由免费公共网络整理而来,仅供学习和研究使用。请勿公开发表或 用于商业用途和盈利用途。
本文链接://www.studdz.com/yantu/13081.html
发表评论